Dalam dunia elektronika dan rangkaian kelistrikan, gerbang logika menjadi basis utama dalam pengolahan informasi digital. Dua gerbang logika yang sangat penting adalah OR dan AND, yang masing-masing memainkan peran unik dalam pemrosesan sinyal.
Gerbang OR, seperti namanya, dapat menghantarkan arus pada jalur keluarannya ketika salah satu atau kedua masukannya aktif, maksudnya disini ialah jika salah satu input bernilai '1' dan input lainnya bernilai '0' maka output atau keluarannya akan bernilai '1'. Sementara itu di sisi lain ada yang namanya gerbang AND
Gerbang AND, seperti namanya, dapat menghantarkan arus pada jalur keluarannya jika dan hanya jika kedua input bernilai '1'. Jika salah satu input bernilai '0' maka rangkaian gerbang AND ini tidak dapat menghantarkan arus sehingga outputnya akan berilai 0. Dengan kata lain pada gerbang AND kedua input harus nilainya 1, jika nilainya 0 maka outputnya juga akan bernilai 0.
- Mengetahui apa itu AND/OR Gate
- Mengetahui rangkaian dari AND/OR Gate
- Dapat mensimulasikan rangkaian AND/OR Gate
- Mampu membuktikan tabel kebenaran dari rangkaian gerbang OR/AND.
A. ALAT
1. Gerbang OR
3. LED
B. BAHAN
1. Battery
Ground adalah titik kembalinya arus searah atau titik kembalinya sinyal bolak balik atau titik patokan dari berbagai titik tegangan dan sinyal listrik dalam rangkaian elektronika.
Gerbang logika adalah komponen sistem digital yang berfungsi untuk melakukan operasi logika dengan bertindak sebagai saklar. Implementasi gerbang logika adalah fungsi Boolean (benar/salah).
1.Gerbang AND
Gerbang AND berlogika 1 dan jika semua masukan berlogika 1 maka keluarannya berlogika 1. Namun, jika semua atau salah satu masukan berlogika 0, maka keluarannya akan berlogika 0.
1.1 gambar gerbang logika AND
- Jika semua masukannya 1, keluaran gerbang logika ini akan bernilai 1.
- Diberikan dua input A dan B, gerbang Boolean AND memiliki Y=A.B.
Proses Kerja:
- Jika nilai kedua input adalah 1, gerbang akan menghasilkan output 1.
- Jika salah satu atau kedua input bernilai 0, maka gerbang akan menghasilkan output 0
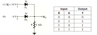
B. Gerbang Logika OR
Jawaban : Jika tegangan input dan sumber berada pada level yang sama dan menciptakan "tekanan" yang berlawanan sehingga dapat diasumsikan dalam keadaan "on" karena tegangan rendah di sisi katoda
sehingga ( V0=Vk=0,7 Volt )A. Mati
B. Nyala
C. Berkedip
D. Redup
E. Meledak
Jawab: A. Mati, rangkaian tersebut adalah rangkaian menggunakan gerbang logika AND, jika ada satu terminal bernilai logika 0(rendah) maka output bernilai 0(rendah),sehingga lampu tersebut menjadi Mati.
2. Tentukan Vo untuk jaringan dengan 0 V pada kedua input
a. Mati
b. Nyala
c. Berkedip
d. Redup
e. Meledak
Jawab:
3. Apa yang terjadi pada LED yang terdapat pada gambar dibawah ini?
a. Mati
b. Nyala
c. Berkedip
d. Redup
e. Meledak
Jawab: a. Mati , rangkaian tersebut adalah rangkaian menggunakan gerbang logika OR, apabila kedua terminal bernilai logika 0 maka output maka lampu tersebut mati
- Untuk membuat rangkaian ini, pertama, siapkan semua alat dan bahan yang bersangkutan, di ambil dari library proteus
- Letakkan semua alat dan bahan sesuai dengan posisi dimana alat dan bahan terletak.
- Tepatkan posisi letak nya dengan gambar rangkaian
- Selanjutnya, hubungkan semua alat dan bahan menjadi suatu rangkaian yang utuh
- Lalu mencoba menjalankan rangkaian , jika tidak terjadi error, maka rangkaian akan berfungsi yang berarti rangkaian bekerja.
Rangkaian 2.39 Klik Disini
Rangkaian 2.40 Klik Disini
Rangkaian 2.41 Klik Disini
Rangkaian 2.42 Klik Disini
Rangkaian 2.43 Klik Disini
Download Video Rangkaian 2.39 Klik Disini
Download Video Rangkaian 2.40 Klik Disini
Download Video Rangkaian 2.41 Klik Disini
Download Video Rangkaian 2.42 Klik Disini
Download Video Rangkaian 2.43 Klik Disini
- Download Datasheet
.jpg)
.jpg)





















0 komentar:
Posting Komentar